新闻中心

新闻中心

关注热点资讯、了解更多半导体信息

当前位置 : 首页 新闻中心 行业动态
发布日期:
2022-04-18 11:46:39
整流二极管的计算与质量判断
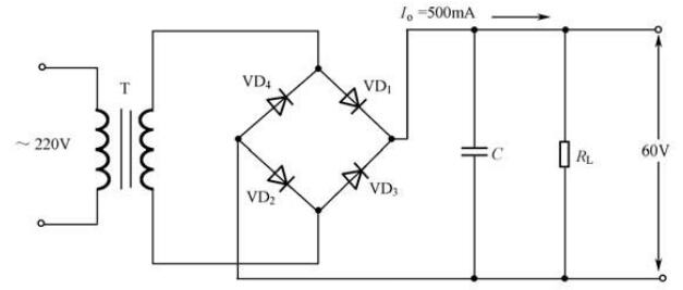
  在对整流二极管进行电路设计时,选择性能参数合适的整流二极管是非常重要的,以实际设计电路为例子。
  由图可知,交流输入端为:220V/50HZ,要求整流输出的直流电压为UO=60V,负载电流为IO=500mA;下面是两种计算方式:
  1.计算流过整流二极管的直流电流由于采用的是二极管桥式整流电路,每对二极管通过的电流应为负载电流的二分之一,每对中的两只二极管是串联关系,每只二极管通过的电流也为负载电流的1/2,故所选用二极管的正向电流ID应为;
  2.计算整流二极管的最大反向电压URM
  首先应确定满足45V输出直流电压情况下的变压器次级交流电压的有效值E2,根据滤波电容对电压提升的经验公式,UO与E2的计算表达式如下:
  整流二极管的最大相反电压URM计算为:
  根据计算结果ID与URM的值,选用二极管手册中与计算值向上接近的管子即可。
  整流二极管的质量判断:
  结型二极管性能质量的判断主要可以分为下面几类:
  1.器件测试方法
  用万用表对结型二极管器件的测试如下图:
  测试时采用如图所示的正向接法与对调红,黑表反向接法,测试结果如下图:
  注:在反向接法进行“二极管”档测试时,虽然二极管反向漏电极小,但由于反向电阻很大,根据欧姆定律U=IR,使得二极管两端的反向电压仍比较大,一般为3V左右,但为什么“显示无反应”呢?
  这是因为子啊设计数字万用表的“二极管”档时,为了方便判断对二极管极性的测试,特意将此档采用2V量,使在反极性测试时因实测电压3>2V而过载,所以这是显示无反应,显示屏仍显示过载。无疑这对准确判断二极管的极性,极间短路,开路提供了方便。
  2.性能质量测试范例
  测试的目的主要有三个:
  判断其是否因过电压而被击穿短路
  是否因过电流而致使内部PN结开路
  是否工作在临界使用功率下使其过热而性能变劣
  以上三种情况都是可以使得二极管在电路中丧失正常功能而导致电路故障的。
     以上电路在测试之前,首先应对二极管所在电路的工作原理有比较清楚的了解,比如:这个二极管在该电路中起整流作用,还是起钳位,限幅,偏置,保护或者是其他的作用,还应该对二极管的工作电压与电流性质,大小,方向做到心中有数。只有这样,检测工作才能胸有成竹。
  在测试过程中要对周围相关元器件的位置和连接关系做一下分析,基本确定它们对二极管测量结果会产生什么影响。如上图,对于二极管VD1来说,电阻R1,R3串联后为23KΩ与VD1并联。而VD1的正向电阻为18KΩ,这时对其正向电阻的测量值RAB≈10KΩ正常(此时因静态下两三极管内阻很大,无需考虑);而反向电阻的测量因VD1正常时使其反向电阻很大。应为R1,R3的串联值、即RBA≈23KΩ为正常。若测量结果;RAB≈RBA≈23KΩ。说明VD1开路;RAB=RBA=0,则说明VD1击穿,对于二极管VD2来说,情况稍有不同,由于一电容相隔,对VD2的静态测量就直观和简单多了。
  对于桥式整流电路测试常会遇到,如果保险丝完好,一般可以为桥路四个二极管无一损坏,用数字万用表可单独对每个管子进行常规检测。如果熔断器已烧断,在已确认与负载无关的情况下基本可以断定某对整流二极管损坏,测量时会发现有一堆管子短路。
  以上就是关于整流二极管计算和质量判断的说明,希望能够给您带来一些帮助。
邀请您留下对我们的意见和建议